Estándar: BS2080,DIN3201-F1, MSS-SP
Perforación brida es según BS4504, DIN2501, and ANSI B16.1 PN10, PN16
Presión de trabajo: 10bar/16bar/25bar
Presión de ensayo:
Cáscara: 15bar/24bar/37.5bar
Sello: 11bar/17.6bar/27.5bar
Material: hierro dúctil GGG40/50 /Hierro fundido GG25/ De acero al carbono
Bonnet: Hierro fundido/hierro dúctil
Screen: De acero inoxidable 304
Recubrimiento: interno y externo: con epóxido de empalme de fusión revestimiento.Min250 μm o liquido pintura epoxi.

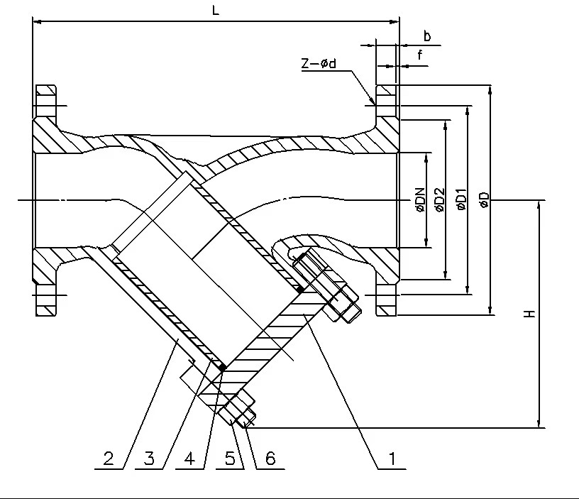
Los coladores llevan a cabo el tamisuperficial del agua, reteniendo aquellas partículas que son más grandes que los agujeros de la pantalla que tenemos a su disposición coladores en forma de "Y" con respecto a su instalación, los coladores pueden ser equipados con bridas instaladas en sus extremos o con hilos internos.
| estándar |
BS2080,DIN3201-F1, MSS-SP
La perforación de bridas está de acuerdo con BS4504, DIN2501, y ANSI B16.1 PN10, PN16
|
| tipo |
Extremo de la brida |
| Material Material |
Hierro dúctil GGG40/50 / hierro fundido GG25/ acero al carbono
Gorro: hierro fundido/hierro dúctil
Pantalla: acero inoxidable 304
|
| El revestimiento |
Interior y exterior con revestimiento de fusión de epoxi unido min250μm o pintura de epoxi líquida |
Si quiere saber más detalles, por favor envie un correo electronico a nosotros solidvalves@aliyun.com. |
|