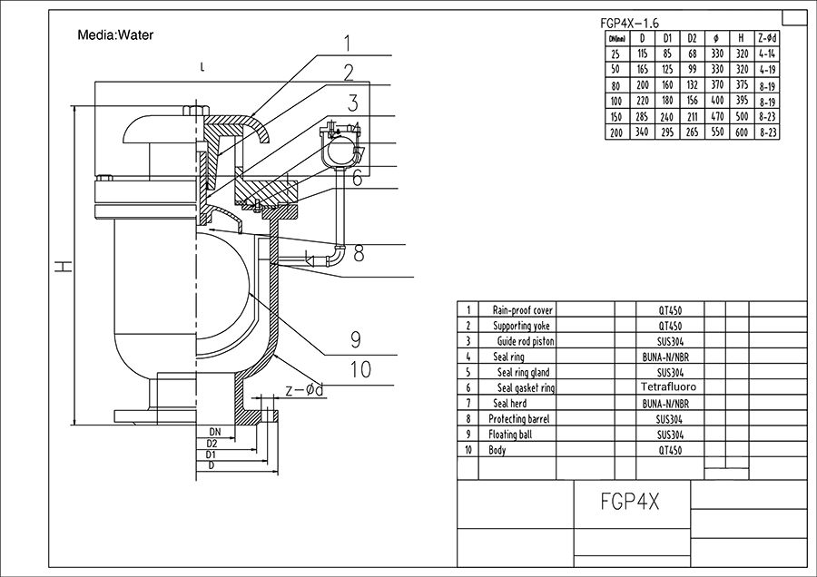
Estándar: EN1074-4, BS, ANSI
Presión de trabajo: 10bar/16bar/25bar
Presión de ensayo:
Cáscara: 15bar/24bar/37.5bar
Sello: 11bar/17.6bar/27.5bar
Material: Hierro dúctil GGG40 / 50 / Hierro fundido GG25 / Acero de carbono
Flotador: SS304, ABS or NBR
Recubrimiento: interno y externo: con epóxido de empalme de fusión revestimiento.Min250 μm o liquido pintura epoxi.
| estándar |
EN1074-4, BS , ANSI |
| tipo |
Tipo de orificio simple, tipo de orificio doble, función triple |
| Material Material |
Hierro dúctil GGG40/50 / hierro fundido GG25/ acero al carbono,
Bola de flotación: SS304, ABS o NBR
|
| El revestimiento |
Interno y externo con revestimiento de epoxi unido por fusión. Min250 μm o pintura epoxi líquida |
.jpg)
Si quiere saber más detalles, por favor envie un correo electronico a nosotros solidvalves@aliyun.com. |
|