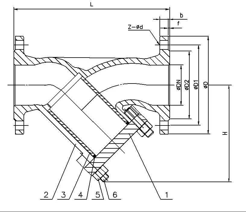
Standard: BS2080,DIN3201-F1, MSS-SP
Flange drilling is according to BS4504, DIN2501, and ANSI B16.1 PN10, PN16
Working pressure: 10bar/16bar/25bar
Testing pressure:
Shell: 15bar/24bar/37.5bar
Seal: 11bar/17.6bar/27.5bar
Material: Ductile iron GGG40/50 /Cast Iron GG25/ Carbon Steel
Bonnet: Cast iron/Ductile iron
Screen: Stainless steel 304
Coating: Internal and external with fusion bonded epoxy coating min250μm or Liquid epoxy painting

The Strainers carry out superficial sieving of the water , retaining those particles that are bigger than the screen holes We have at your disposal Strainers in"Y" shape Regarding their installation , the Strainers can be either equipped with flanges fitted on their ends or with internal threads .
| Standard |
BS2080,DIN3201-F1, MSS-SP
Flange drilling is according to BS4504, DIN2501, and ANSI B16.1 PN10, PN16
|
| Type |
Flange End |
| Material |
Ductile iron GGG40/50 /Cast Iron GG25/ Carbon Steel
Bonnet :Cast iron/Ductile iron
Screen : Stainless steel 304
|
| Coating |
Internal and external with fusion bonded epoxy coating min250μm or Liquid epoxy painting |
If you want to know more details, please send an email to us to solidvalves@aliyun.com. |
|